上海太阳能工程-上海湘宸太阳能公司15821413123是一家以太阳能热水器生产为主的太阳能工程厂家,公司在太阳能行业有做过的工程案例有:平板太阳能热水器,阳台壁挂式太阳能热水器,分体太阳能,平板分体太阳能热水器工程,等,公司承接太阳能热水器工程,太阳能采暖,太阳能发电,太阳能空调等。
如果您有这方面的需要,我们可以免费给您勘察现场,给您免费做方案与预算报价等,一套太阳能热水工程设备系统,所投资成本是现在所用能源三年费用的上一套太阳能热水工程设备,前三年收回投资成本后可以免费使用七到十年以上,节能环保省钱看得到。
一、滨州医学院烟台校区简介:
滨州医学院是一所省属高等医学院校,1970年青岛医学院整体搬迁至山东省滨州市办学,自1974年开始独立办院,现分滨州、烟台两校区。
学校目前占地93万平方米,建筑面积40余万平方米,全日制在校生1万余人,成人教育在校生11200余人。现有教职工868人,其中有专任教师450余人,专任教师中教授69人,副教授近200人;另有兼职教师4000余名。拥有52个教研室、12个多功能综合实验室、11个研究所(室)和2个研究中心;编辑出版《中国医院统计》和《滨州医学院报》,向国内外公开发行。

(滨州医学院烟台校区鸟瞰图)
滨州医学院烟台校区坐落于烟台市莱山区观海路,烟台位于东经119°34′~121°57′,北纬36°16′~38°23′,地处山东半岛中部,属于暖温带大陆性季风气候,具有雨水适中,空气湿润,气候温和的特点,可谓冬无严寒,夏无酷暑。全市年平均降水量为651.9毫米,年平均气温11.8℃,年平均相对湿度68%,年平均日照时数2698.4小时,太阳辐射总量年平均值5224.4兆焦耳/平方米,年平均风速内陆地区3~4米/秒,沿海地区4~6米/秒,全市平均无霜期210天。烟台四季分明,各具特色。
二、工程需求:
1、用水要求:本方案为学生洗浴用水工程,系统能满足每天1500人洗澡,低出水量80吨,用水温度为45℃。用水形式为淋浴,用水方式为定时用水,要求室内管道循环,一开就有热水。
2、场地情况:楼高五层,1、2层用水,楼顶为平顶,太阳能及水箱置于屋面上(水箱为不锈钢组合水箱,不锈钢采用3042B,聚胺脂保温不小于50mm。
3、太阳辐照资料根据国家气象中心的《中国气象辐射资料年册》,参考烟台地区的气象资料。
4、辅助能源:拟采用燃气锅炉。
5、材料材质要求符合国家有关标准;所报产品必须为同种产品中的优级产品,制作工艺及技术规范按现行国标执行;详细说明所报产品的各种性能及技术指标;供货商所供产品必须是各厂家的新产品。
6、要求太阳能及水箱固定支架牢固耐久,应考虑抗风、抗震、抗锈蚀等。
三、烟台气象资料分析
1.烟台地区2001年和2002年月均辐照量图表(详细见附表)

2.日照时数及日照百分率
地名
日照时数(小时)
日照百分率(%)
平均
冬
夏
平均
冬
夏
日照
2698.4
188.0
260.5
63
61.7
60.3
3.气象资料分析表

4.2001年、2002年烟台日辐照量表(略)

四、太阳热水器相关标准
1、GB/T18713-2002《太阳能热水系统设计、安装及工程验收技术规范》
2、GB50015-2003《建筑给水排水设计规范》
3、GB/T17581-1998《真空管太阳集热器》
4、GBJ17-88《钢结构设计规范》
5、GBJ9-87《建筑载荷规范》
6、GB4272-92《设备及管道保温技术通则》
7、GB4706.1-1998《家用和类似用途电器的安全通用要求》
8、JB4088-1999《日用管状电热组件》
9、《室内用热水、热力供应设计规范》
10、GB/T17219-1998《生活饮用水输配水设备及防护材料的安全性评价标准》
11、GB50303-2002《建筑电气工程施工质量验收规范》
12、GB50258-1996《电气装置安装工程1KV及以下配线工程施工及验收规范》
13、GB50207-1994《屋面工程技术规范》
14、GBJ242-82《采暖与卫生工程施工及验收规范》
15、JBJ242-92《民用建筑电气设计规范》
16、GBJ93-86《工业自动化仪表工程施工及验收规范》
17、GB/T10800-89《隔热用聚氨酯泡沫塑料》
18、GB/T12464.1-1998《焊接质量要求、金属材料熔化焊》
19、NY/514-2002《家用太阳热水器储水箱》
20、GB/T18708-2002《家用太阳热水系统热性能试验方式》
21、NY/T343-1998《家用太阳热水器技术条件》
22、NY/T6510-2002《家用太阳热水系统安装、运行维护技术规范》
23、NY/T513-2002《家用太阳热水器电辅助热源》
24、GB/T10800-89《隔热用聚氨酯泡沫塑料》
25、GB/T50364-2005《民用建筑太阳能热水系统应用技术规范》
26、GB/T123936-1991《太阳能热水用术语》
27、01SS105《常用小型仪表及特种阀门选用安装》
五、解决方案:
1、此系统安装集热器1420.32m2,参考烟台地区的辐照量,在春秋季正常晴好天气下,可产生45℃的热水约80吨,阴雨、冬季等光照不好的情况下采用辅助能源来补充,以满足用户的热水需求。系统为全自动控制,自带定时管道循环功能,通过定时控制管道上的循环泵,在用水前10分钟启动电磁阀和循环泵,把管道内的冷水打入水箱,管道内进入热水,达到设定温度关闭电磁阀和循环泵从而保证管道即开即热。
2、我们采用的拼装水箱内胆为5mm厚Q235A冷扎碳钢板,再经过军舰级防腐处理,特有优良耐蚀性。保温层为80mm厚聚氨酯保温块,外壳为1mm厚玻璃钢,聚氨酯保温块与玻璃钢板冲压成型,构成统一整体,附于水箱内胆上,保温性能更加优良并且外观美观。
3、水箱预留辅助能源接口,并且我公司控制柜可实现对辅助能源的控制,当水箱温度低于设定温度时,开启辅助能源;辅助能源可以是多种方式,根据要求可定制。电锅炉、燃油锅炉、燃气锅炉、燃煤锅炉等等均可与我公司水箱连接配套使用。
4、我们所提供的产品均为我公司先进并且成熟的产品,是我们的主打工程产品。
5、为了保证产品正常运行,短时间内解决产品出现的故障,我们施行四步走:a:贵方进行设备管理人员培训(当地有经销商进行售后);b:定期检查,常规巡检维护;c:年检,每年年底由XX公司烟威办事处售后服务中心派专人检修一次;d:应急维修。我公司对本项目实行24小时服务,当系统出现故障时,4小时之内派人赶到现场,检修排除故障,当故障复杂不能排除时,我公司设在烟威办事处的售后服务中心人员将在24小时之内到达现场检修。
6、集热器支架采用4号角钢热镀锌,独特的支架设计,保证了支撑稳固和抗风能力强;采用热镀锌保证角钢的防腐能力。并且支架固定在预置水泥基础上,台与台之间通过连接件连接,把单台连接起来形成一个整体,大大增加了抗风能力。
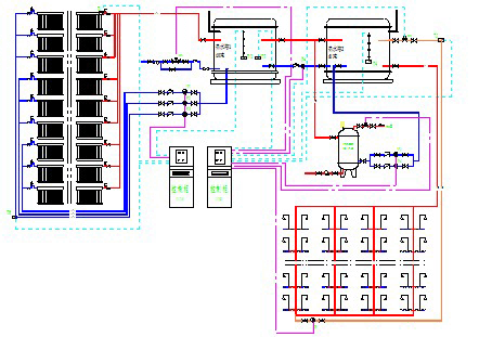
六、系统运行原理及说明
系统运行原理图

此图为系统原理示意图,不表示实际连接方式。
运行原理
系统均采用两个水箱作为集热循环水箱,定时提供热水。在天气晴好的情况下,储水箱中的水利用太阳能加热,当阳光不足及阴雨天气时,由辅助能源补充提供能量。
1、定时上水:当定时灯亮时,可以由定时器控制进水。
2、无水进水:储水箱水位显示为0时,立即进水到2级水位。
3、温差循环:集热器与储水箱之间的循环——当集热器的水温T1与热水箱1的水温T2的温差高于温差循环的启动温差时,循环泵P1、P2、P3自动启动;当两者的温差低于2℃时,循环泵自动停止;热水箱间循环——当热水箱2的温度T4与热水箱1的温度T3,温差高于温差循环的启动温差时,循环泵P4自动启动;当两者的温差低于2℃时,循环泵自动停止。
4、管道定时定温循环:在用水前10分钟,当室内用水管道上的探测温度T4低于35℃,电磁阀开启,循环泵P3启动,将管道中的冷水打入水箱;当T4达到40℃时,电磁阀关闭,循环泵P3停止。
5、防冻电热:当水箱温度低于10℃时,电加热打开,达到15℃时,电加热关闭。
6、防冻循环:当室外管道上的温度T3低于5℃时,循环泵P1自动启动;当T3高于10℃时,循环泵P1自动停止。从而达到防止管道冻结的现象产生。
7、辅助加热:当储水箱中的水温低于设定温度5℃时,自动启动电加热或辅助能源,达到设定温度时自动停止电加热。
8、高温断续循环:当集热器温度高于95℃,且仅高于水箱温度2~10℃范围内时,循环泵每循环10分钟,停20分钟(用于无客人期间)。
9、出水增压:系统设增压泵P5、P6供水,用变频恒压方式控制,保证24小时有水并有一定的压力,以满足用户需求。
10、室外管道加电热带,以防止冬季寒冷季节室外管道冻结。
11、电磁阀进水口前要安装过滤器,水平管道上的单向阀要用升降式,垂直管道上的单向阀要用旋启式。
七、计算略


本文由太阳能热水器厂家-湘宸太阳能公司【www.shyfjn.com】转载太阳能联盟网后整理发布,如需转载,请注明出处。
如果您有太阳能方面的需求,也可以直接与我们郑工联系:15821413123