上海镁双莲太阳能热水厂家 上海镁双莲太阳能工程公司
JAHVERY微信
  上海太阳能生产厂家
上海太阳能 太阳能工程公司
 
 您现在的位置:首页 > 技术支持 > 南昌大学游泳馆太阳能热水工程
  新闻动态
太阳能热水工程传感器的维护保养
太阳能热水工程流量计的涡街流量计
太阳能热水工程的水流开关简介和安装
太阳能热水工程可曲挠橡胶接头的安装要点
太阳能热水工程橡胶隔振垫和隔振器的安装要点
太阳能热水器从来没有畏惧过阴雨寒冬天气
太阳能热水器可以让您在夏季蹭到免费的热水器
全智能太阳能热水器优化后是否能赢得市场
  产品推荐
30管真空管太阳能热水器家用一体机,水箱、支架的简介
平板太阳能热水器_采暖系统应用实例
太阳能热水工程-钢铁材料公司
太阳能热水工程,员工洗浴热水工程——台振食品厂太阳能热水器工程
太阳能热水工程-奉贤体育中心
太阳能热水工程-浦锦之星大酒店
QQ: [客服]
全国服务热线:
      187-021-00761
      158 2141 3123
传真:021-57628192
Email:1098376003@qq.com
http://www.shyfjn.com
工厂地址:
上海市松江区泗泾镇高技路655号
 
    南昌大学游泳馆太阳能热水工程

上海太阳能工程-上海湘宸太阳能公司15821413123是一家以太阳能热水器生产为主的太阳能工程厂家,公司在太阳能行业有做过的工程案例有:平板太阳能热水器,阳台壁挂式太阳能热水器,分体太阳能,平板分体太阳能热水器工程,等,公司承接太阳能热水器工程,太阳能采暖,太阳能发电,太阳能空调等。
如果您有这方面的需要,我们可以免费给您勘察现场,给您免费做方案与预算报价等,一套太阳能热水工程设备系统,所投资成本是现在所用能源三年费用的上一套太阳能热水工程设备,前三年收回投资成本后可以免费使用七到十年以上,节能环保省钱看得到。
一、建筑概况
1、南昌大学游泳馆,游泳池一个,50m×25m×2m,跳水池一个25m×25m×2m。
2、屋面为轻型屋面,荷载不允许超过40kg/㎡。
3、为节约运行费用及环保,准备安2200㎡太阳能热水系统和燃气锅炉加热系统联合解决游泳池、跳水池加热及游泳馆洗浴热水问题。
4、采用150吨保温水箱一只,40吨保温水箱一只,业已安装在楼层承重墙固定的位置。
5、设计要求:
(1)选择合适的太阳能集热器,既能满足系统安全、可靠、稳定、高效的运行,又可实现太阳能与游泳馆现有建筑结构形式能融为一体,成为校园一景。
(2)太阳能系统设计应保证系统安全、可靠、稳定的运行,并充分考虑以下几点:①现有燃气锅炉系统、贮热水箱、供水系统等设备已安装就位,设计时充分利用现有安装设备,因地制宜,尽可能不改变现有设备布置格局。②应优先、充分利用太阳能,并使太阳能和燃气锅炉加热系统完美结合,既能大化的发挥太阳能的作用,减少燃气消耗,又可在阴雨天或光照不足太阳能热量不够用时,能及时启动燃气锅炉,保证游泳池、跳水池水温及游泳馆洗浴热水。③从设计角度尽可能降低系统运行费用及系统热损。④应选用先进、可靠、安全的控制系统,既管理方便,具有人性化的人机沟通功能,又保证系统能长久的安全、稳定、可靠、灵敏的运行。
(3)充分考虑系统冬季防冻、夏季高温、防雷、防风、防垢等安全问题。
二、用水要求
1、能够保证每天实际使用热水140—150吨,(阴雨雪天,采用燃油锅炉装置辅助加热)。
2、采用Φ58×1800×13200支真空集热管集热,贮水箱贮存热水,通过管道输送至游泳池,四季都能运行。
三、气象资料
1、自来水水温。
以南昌当地冷月平均水温资料确定,在无当地水温资料时参照下表3—1。
本方案在设计时取自来水的温度为10℃。

南昌大学位于江西省会南昌市(28°36′,115°55′),地处亚热带润湿季风气候区,四季分明,全年平均气温16℃—20℃,7月份27℃—31℃,年无霜期约300天,日照时间在3000小时/年左右。
根据国家气象中心提供的《中国气象辐射资料年册(2001)》,全国各地水平面总日射月均日辐射量及年总辐照量数据(单位MJ/㎡),江西南昌市(28°36′,115°55′)的水平面总日射月均日辐射照量数据如下:

四、相关国家及行业标准
(1)《民用建筑太阳能热水系统应用技术规范》GB50364-2005
(2)《太阳热水系统设计、安装及工程验收技术规范》GB/T18713-2002
(3)《家用太阳热水系统热性能试验方法》GB/T18708-2002
(4)《家用太阳太阳能系统技术条件》GB/T19141-2003
(5)《真空管太阳集热器》GB/T17581-1998
(6)《全玻璃真空太阳集热管》GB/T17049-1997
(7)《太阳能集热器技术条件》GB/T6424-1997
(8)《太阳能热利用术语》GB/T12936-1991
(9)《太阳能集热器热性能试验方法》GB4301-84
(10)《建筑给水排水设计规范》GB50015-2003
(11)《民用建筑电气设计规范》JGJ/T16-92
(12)《建筑结构载荷规范》GB50009-2001
(13)《建筑物防雷设计规范》GB50057-94
(14)《建筑物抗震加固技术规程》JGJ/T16-98
(15)《钢结构设计规范》GB50017—2003
(16)《设备及管道保温技术通则》GB4272-92
(17)用户要求和现有条件
五、技术方案及说明
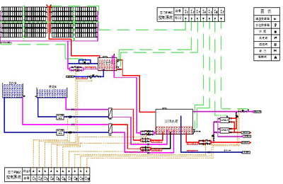
1、系统原理图

2、运行原理
系统采用两个水箱,一个为集热水箱,另一个为恒温水箱。
定时进水:达到设定时间,电磁阀打开进行补水,电磁阀自动打开给集热水箱进行补水;当恒温水箱水满,电磁阀关闭,停止补水。
集热温差循环:当T1-T2≥10℃,循环泵P1启动,循环至T1-T2≤2℃,P1停止。
水箱间温差循环:当恒温水箱内的水温比集热水箱内的水温低10℃(可在5~12℃间设置)时,水箱间循环泵开启;当温差小于2℃,循环泵停止。集热水箱与保温水箱间的温差循环与保温水箱和恒温水箱的温差循环运行原理相同。
定时定温管道循环、增压:在设定时间段内(看可设定8个时间段,可根据用水时间要求设定管道循环的时间段,以防止24小时进行管道循环而损失大量的热量),增压泵启动若检测到管道循环传感器的温度低于设定值,管道循环电磁阀开启,进行管道循环,当高于设定温度5℃时,电磁阀自动关闭,供水泵提供用水压力。
防冻循环:在冬季启动管道防冻循环功能,当T3温度低于5℃时启动水泵P1,当温度达到10℃时停止,防止冬季室外水管冻坏(备用)。另外在室外管路上敷设电热带来提高防冻效果。两水箱之间的管道也有防冻管道循环。
恒温供水:当恒温水箱内的温度T3低于45℃时,辅助电锅炉启动;当T3达到45℃时,电锅炉停止加热。保持恒温水箱温度不变。
高温断续循环:当集热器的温度高于95℃,且仅高于水箱温度2~10℃范围内时,循环泵每循环10分钟,停20分钟。
3、控制系统
斯帝特工程控制柜具有以下功能:
水温显示:水箱水温显示范围为10~99℃;集热器、管道水温显示范围为0~99℃,显示精度为1℃。
水位显示:水箱水位显示范围为0~4级。
温控进水:当水箱温度超过水箱设置温度5℃时,且低于设置水位时自动上水。
定时加热:当定时灯亮时,可以有定时器控制辅助能源的的启动和停止。
定时进水:当定时灯亮时可以由定时器控制放水。
防冻加热:当水箱温度低于10℃时,启动辅助能源,达到15℃时停止加热。
管道循环:检测管道的温度,并进行循环,保证打开水嘴开关就有热水。
温差循环:自动检测集热器与储水箱之间的温差,并自动进行循环。
防冻循环:检测管道温度并进行循环,防止管道冻结。
高温断续循环:当集热器温度高于95℃,且仅高于水箱温度2~10℃范围内时,循环泵每循环10分钟停止20分钟。
联集管防冻循环:当集热器水温低于5℃时,启动循环泵进行循环,防止联集管冻结。
循环超时停止功能:当温差循环与管道循环长时间达不到循环停止条件时,自动停止循环。
第二辅助能源:它是除电加热之外的辅助能源的输出接口。
断电记忆:断电36~48小时之内,控制柜自带可充放电池可以记忆控制柜的设置数据,再次通电数据不需重新设置。
漏电保护:在电源进线中设置了漏电断路器,当相线对地出现可动作的漏电电流时,电源自动切断。
六、联集管集热器采光面积
本系统全部采用SDT阳光宝典Ⅱ型大型工程集热元件,按照楼层顶部实际情况测算,所需集热模块数量及面积如下:
1、145吨45℃热水从基础水温10℃上升到45℃所需总能量:
2、南昌市春秋季晴好天气日暴晒辐射量约为19MJ/㎡,本系统热效率约为50%,则需集热模块面积S=2210㎡,需模块数量为:2210㎡÷4.2(㎡/单元)≈526.2单元。
3、根据上述理论计算结果,结合建筑物结构实际状况,拟采用斯帝特大型工程集热模块528单元,计2218㎡集热器,实际日产热水146吨。

本文由太阳能热水器厂家-湘宸太阳能公司【www.shyfjn.com】转载太阳能联盟网后整理发布,如需转载,请注明出处。
如果您有太阳能方面的需求,也可以直接与我们郑工联系:15821413123

        地址:上海市松江区泗泾镇高技路655号    全国服务热线:15821413123
Email:1098376003@qq.com 网站地图: 网站地图| 网址:http://www.shyfjn.com/ 备案号: 沪ICP备17000110号|