上海镁双莲太阳能热水厂家 上海镁双莲太阳能工程公司
JAHVERY微信
  上海太阳能生产厂家
上海太阳能 太阳能工程公司
 
 您现在的位置:首页 > 技术支持 > 济南“金色阳光花园小区”分体式太阳能热水工程
  新闻动态
太阳能热水工程传感器的维护保养
太阳能热水工程流量计的涡街流量计
太阳能热水工程的水流开关简介和安装
太阳能热水工程可曲挠橡胶接头的安装要点
太阳能热水工程橡胶隔振垫和隔振器的安装要点
太阳能热水器从来没有畏惧过阴雨寒冬天气
太阳能热水器可以让您在夏季蹭到免费的热水器
全智能太阳能热水器优化后是否能赢得市场
  产品推荐
30管真空管太阳能热水器家用一体机,水箱、支架的简介
平板太阳能热水器_采暖系统应用实例
太阳能热水工程-钢铁材料公司
太阳能热水工程,员工洗浴热水工程——台振食品厂太阳能热水器工程
太阳能热水工程-奉贤体育中心
太阳能热水工程-浦锦之星大酒店
QQ: [客服]
全国服务热线:
      187-021-00761
      158 2141 3123
传真:021-57628192
Email:1098376003@qq.com
http://www.shyfjn.com
工厂地址:
上海市松江区泗泾镇高技路655号
 
    济南“金色阳光花园小区”分体式太阳能热水工程

上海太阳能工程-上海湘宸太阳能公司15821413123是一家以太阳能热水器生产为主的太阳能工程厂家,公司在太阳能行业有做过的工程案例有:平板太阳能热水器,阳台壁挂式太阳能热水器,分体太阳能,平板分体太阳能热水器工程,等,公司承接太阳能热水器工程,太阳能采暖,太阳能发电,太阳能空调等。
如果您有这方面的需要,我们可以免费给您勘察现场,给您免费做方案与预算报价等,一套太阳能热水工程设备系统,所投资成本是现在所用能源三年费用的上一套太阳能热水工程设备,前三年收回投资成本后可以免费使用七到十年以上,节能环保省钱看得到。
一、工程概况:
本工程位于山东省济南市,北纬36°41’,东经107°59’。总用户数为1200户,为多层和小高层建筑两种。
工程地点:山东省济南市堤口路
1、小区安装太阳能热水器可行性分析:
山东属太阳能资源一般丰富地区,济南市位于山东省太阳辐射分布的高值区内。济南市太阳辐射的年内变化较大,春季、夏季多,秋季次之,冬季少。春季为占年总量的31%;夏季为占年总量的32%;秋季占年总量的21%;冬季占年总量的16%。年内高值出现在5~6月间,月平均辐射量为622.8~656.3MJ/(㎡•月),此时正值雨季前期,空气干燥,大气透明度好,日照时数多。年内低值出现在12月,平均为229.9~242.4MJ/(㎡•月)。全市年日照总时数在2491~2737小时之间,每日平均7.0~7.5小时,年平均日照百分率为56~62%。太阳能既是一次能源,又是可再生能源。它资源丰富,既可免费使用,又无需运输,对环境无任何污染。因此,太阳能这种典型的清洁、可再生能源在济南地区的推广和应用,是可行的。
2、安装自然循环太阳能热水系统可行性分析:
自然循环太阳能热水系统的原理为利用热虹吸效应,当液体受热时,密度减小,在同一系统内,密度小的热液体向上走,密度大的冷液体向下降。利用这种原理,太阳能热水系统中的导热介质受热进入到水箱的换热器中,从而把水箱中的水加热。
根据循环原理我们得出的循环条件是:
(1)水箱安装的位置要高于集热器出介质35mm,以有利于循环。
(2)循环管道要一直保持向上的趋势。
(3)水箱和集热器的距离不能超过4米。
从本工程给出的安装条件看,都能满足循环要求,所以本工程安装自然循环太阳能热水器是可行的。
二、设计施工说明
1、设计依据
(1)GB/T18713-2002《太阳热水系统设计、安装及工程验收技术规范》
(2)GB50015-2002《建筑给水排水设计规范》
(3)GB50364-2005《民用建筑太阳能热水系统应用技术规范》
(4)GB/T17581《真空管太阳能集热器》
2、设计参数
(1)气象参数:
年太阳能辐照量:垂直面5125MJ/㎡,
年日照时数:3130小时
年平均温度:8.2℃
日平均太阳辐照量:垂直面14MJ/㎡
(2)用水量
热水用水标准参考GB50015-2002《建筑给水排水设计规范》
中“住宅—有自备热水供应个淋浴设备”高日用水定额,见下表
单位“L”50℃55℃60℃65℃
住宅每人每日49~9844~8840~8037~73
我们根据上表可选择供水温度:60℃。供水量为每人每日40L~80L。取平均值,每人每天的高供水额为60L,每人每天的平均热水供水额为30L。
3、太阳能热水系统配置设计
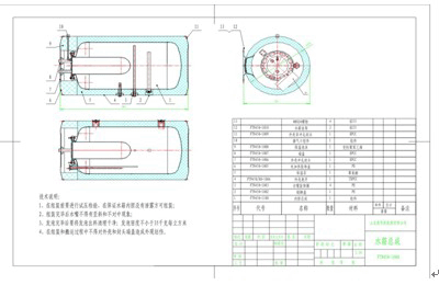
(1)水箱
以每户平均3人计算,设计水箱容量为90L
规格:外形尺寸:ф450mm×900mm空箱重:32㎏
水箱具有以下技术优势:
水箱为承压式水箱,出水压力由自来水提供,出水压力稳定,无需手动上水。
外壳采用彩钢板制作,颜色均匀,涂层抗老化能力强;
聚氨酯发泡保温,机器发泡,密度大,泡体均匀。
优质钢板基材,采用2mm厚的搪瓷专用钢板;
高档搪瓷材料,进口美国福禄公司生产的搪瓷材料;
全自动焊接,解决了焊接不均匀的问题;
承受高温骤变能力强,承受温度范围在-60℃~450℃;
耐酸、耐碱、耐高温,各种离子均不能渗透其表层,有效保证水质清洁;
采用可拆卸式换热器,换热器放置在水箱中,与水箱内胆无任何焊缝;
换热器采用食品级不锈钢材料SUS304-2B;
(2)集热器
集热面积的计算,本系统为间接循环系统,采用下面公式进行计算:
首先应先计算直接系统的集热面积:
采用面积计算公式
—直接系统集热器面积,㎡
—日平均用水量,L取值为90
C—水的定压比热容,KJ/Kg.取值4.2
—水的密度,Kg/L取值1
Tend—水箱内水的终止温度℃取值60
—水的初始温度℃取值10
—太阳集热器采光面积日平均太阳辐照量,KJ/㎡取值15946
—太阳能保证率取值0.5
—管路及水箱热损取值0.25
—集热器全日集热效率取值0.5
则=1.58㎡
间接系统的集热面积计算公式
—间接系统的集热面积㎡
—直接系统集热器面积,㎡
—集热器总热损系数W/(㎡•℃)取值5.5
—换热器传热系数W/(㎡•℃)取值600
—间接系统换热器换热面积㎡
其中
—间接系统换热器换热面积㎡
—需要太阳集热系统提供的热量,W
—热水供应系统的热损系数取值1.15
—结垢影响系数取值0.8
—换热器的换热系数W/(㎡•℃)取值600
—介质与被加热水的温度差℃取值5
其中
=555W
—需要太阳集热系统提供的热量,W
—日平均用水量,Kg取值90
C—水的定压比热容,KJ/Kg.取值4.2
—水的密度,Kg/L取值1
—水箱内水的终止温度℃取值60
—水的初始温度℃取值10
—太阳能保证率取值0.5
—太阳辐照度时变系数取值1.5
—年平均日照时间取值7.1
所以=0.26㎡
所以间接系统的集热面积=1.66
由于集热器与地面垂直安装,集热面积的补偿系数为0.9
所以本小区单户需要的集热面积为1.84
根据集热器规格,采用12支1.8米真空管集热器,真空管外径58mm。
集热器外形尺寸为1900mm×1005mm×100mm重量40Kg
集热器特点:
外框为铝合金,表面喷塑防腐,外形美观大方;
真空管采用的玻璃为特硬高硼硅玻璃3.3真空磁控溅射铝氮铝选择性吸收涂层,太阳光谱吸收比≥0.90,热发射率≤9%,热损小,保温效果好,集热效率高;并可抵抗直径为25㎜的冰雹正面冲击,真空管承压可达0.6MPa,耐候性好;使用寿命可达15年以上;
集热器芯采用U形管式,材料为SUS304不锈钢,耐腐蚀,集热效率高;
(3)辅助电加热
水箱中配有电辅助加热,当遇到阴雨天气时可采用电辅助加热,光电两用。
根据电加热管的安装位置和水的分层原理,加热90L水所需要的热量
=4.2×90/2×50=9450KJ
设计100分钟可以加热到所需温度
则电辅助加热功率P=W/T=1500W
所以设计电辅助加热的功率为1500W。
(4)智能控制仪表
智能控制仪表主要有以下功能:
智能控制仪表的显示板通过水温探头实时显示水箱内水温;
可以定温定时加热,当加热的预定温度时,自动关闭电辅助加热;
可以设定恒温加热,当低于设定温度时自动开启电加热,当达到设定温度时自动关闭电加热。
漏电保护功能,当辅助电加热漏电时,自动断电;
防干烧功能,当水箱内缺水时,自动关闭已经开启的电加热;
具有遥控器,可以遥控操作。
(5)安全泄压装置
在水箱的进水口安装了安全泄压阀,使水箱内的压力恒定,确保使用安全。如水箱内压力过大,泄压阀会自动泄压,泄压时会有水从泄压口流出,起到保护水箱的作用。
(6)镁棒
镁棒具有防锈功能,保护水箱。
(7)管道管件及保温:
系统的循环管道采用广东日丰的DN20铝塑复合管道,管道耐热110℃,耐压1MP。系统的供水管道采用DN20PPR管道。管道连接件全部采用黄铜件。循环管道保温采用聚乙烯材料保温,外面用包扎带包扎。
(8)导热介质
系统的导热介质具有防冻,防腐和防锈的功能。能承受低温-25℃不结冰。
4、太阳能热水系统循环原理

系统采用自然循环的方式进行集热换热。这种集热方式水箱一定要高于集热器。阳光照射真空管,真空管吸收热量,加热真空管中内部U形管中的导热介质,集热器内的导热介质温度升高,密度下降,与水箱换热器中密度较大的冷介质因重力作用形成对流,周而复始,给水箱内的水加热。
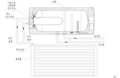
5、太阳能系统安装示意图

6、水箱示意图

7、集热器示意图

8、施工组织
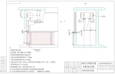
我们的太阳能热水器是分体式太阳能热水器,施工主要包括五个施工步骤:
1)集热器的安装。集热器安装在阳台栏板上,垂直安装。
○1检查集热器是否合格,装配是否完整;
○2将集热器与安装支架连接,连接后检查是否牢固;
○3将组装好的集热器安装在预埋的固定件上;
○4用螺母将集热器固定在预埋固定件上。
2)水箱的安装。水箱安装阳台内,挂在墙上。
○1检测水箱是否为合格水箱;
○2按照水箱挂架的距离在墙面的适当位置打孔;
○3将水箱挂架安装在需要位置;
○4将水箱挂在水箱挂架上。
3)循环管道的安装
○1在确定好的循环管预埋孔的位置;
○2介质循环管连接时热进冷出,水箱的循环进口连接1/2铜三通的中间口,铜三通的直通两口分别连接1/2对丝和四六外直,四六外直与DN20铝塑管连接,铝塑管接集热器的循环出口处的四六内直;水箱的循环出口接弧形弯头,弧形弯头接四六外直,四六外直与DN20铝塑复合管连接,铝塑管接集热器的循环进口处的四六内直。
○3水箱冷水口与安全阀连接,然后与自来水相连,要安装一个球阀控制。热水口与热水管道相连。
○4介质的注入,拧下排气口出的内六角螺母,打开球阀,从球阀处注入介质,当排气口处有介质流出时,关闭球阀阀门,然后将排气口处的内六角螺母用密封带缠好并拧紧。
○5检测管道有无泄漏,如无泄露,做循环管道保温。
4)冷热水管道的连接
○1将安全阀安装在冷水水嘴上,安装时用密封带缠好;
○2将预留好的自来水管道与安全阀连接,并装置一个球阀;
○3将预留好的热水管道与热水水嘴连接,热水管道为连接用水点的管道;
○4注水,向水箱内注水时将热水口阀门打开,冷水口阀门打开,待热水口出水后关闭热水口阀门,让冷水口阀门保持常开状态。
5)仪表调试。
按照说明书进行控制仪表的调试。
三、节能效益分析
每台水箱年节约标煤量:
年节约能量由公式
—太阳能热水系统的节能量
—太阳能集热面积取值1.8㎡
—太阳能集热器采光面积上的年太阳辐照量KJ/㎡取值5277709
—管路和水箱的热损失取值0.25
—太阳能集热器的全日集热效率取值0.5
=3561MJ
每年太阳能热水系统的节省费用:
SAV—年节省费用(元)
PI—折现系数
—常规能源热价(元)取值0.15元/MJ
d—年市场折现率0.0612
e—年燃料价格上涨率0.01
PI=0.93
所以=496.7元
按照当前电价0.55元/度,则需要耗电903度
按照国家规定的发电量和标煤的换算关系,每发一度电需要消耗标煤0.404千克标煤,则每年节约标煤364千克。
年节约标煤量由公式
=××
—年节约标煤量
—太阳能热水系统的节能量=3561MJ
—标准煤的燃烧值取值29MJ/㎏
—常规能源水加热装置效率取值0.95
为二氧化碳的排放因子,取值0.886
=420Kg
产品图片:




本文由太阳能热水器厂家-湘宸太阳能公司【www.shyfjn.com】转载太阳能联盟网后整理发布,如需转载,请注明出处。
如果您有太阳能方面的需求,也可以直接与我们郑工联系:15821413123

        地址:上海市松江区泗泾镇高技路655号    全国服务热线:15821413123
Email:1098376003@qq.com 网站地图: 网站地图| 网址:http://www.shyfjn.com/ 备案号: 沪ICP备17000110号|